(0) |
Корпус из серого чугуна, радиальный корпусной шарикоподшипник с эксцентриковым стопорным кольцом, однокромочное уплотнение, для применения при низких температурах.
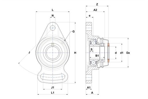
На рисунке фланцевые подшипниковые узлы представлены с открытой крышкой. Выбранное вами изделие оснащено закрытой крышкой.
Самоцентрирующиеся подшипниковые узлы с различными вариантами крепления и корпусами из чугуна, нержавеющей стали или пластика.
| РАЗМЕРЫ ИЗДЕЛИЯ | |
|---|---|
| Марка | SNR |
| А - Высота корпуса | 40 mm |
| A1 - Высота основания корпуса / высота фланца | 18 mm |
| A2 - Общая высота (корпус + вставка) от монтажной поверхности | 54,7 mm |
| B - Ширина внутреннего кольца | 30,2 mm |
| B1 - Общая ширина внутреннего кольца | 43,7 mm |
| d - Диаметр вала | 50 mm |
| d1 - Наружный диаметр эксцентрикового кольца/накидной гайки | 67,2 mm |
| Dz - Наружный диаметр крышки | 100 mm |
| e - Расстояние от монтажной поверхности до центра подшипника | 22 mm |
| G - Пресс-масленка | M6x1 |
| H - Длина, ширина или диаметр корпуса | 190 mm |
| J - Расстояние между монтажными отверстиями | 157 mm |
| J1 - Расстояние до центра прорезного отверстия | 76 mm |
| L - Ширина/диаметр корпуса | 115 mm |
| L1 - Ширина корпуса в месте прорези | 94 mm |
| N - Размер монтажного отверстия | 15 mm |
| S - Расстояние передняя сторона/центр подшипника | 11 mm |
| Z - Ширина по крышке | 67,5 mm |
| ПРОИЗВОДИТЕЛЬНОСТЬ ПРОДУКТА | |
|---|---|
| C - Динамическая грузоподъёмность | 35,1 kN |
| C0 - Статическая грузоподъёмность | 23,2 kN |
| Рабочая температура мин. | -40 °C |
| Рабочая температура макс. | 100 °C |
| ДРУГИЕ ОСОБЕННОСТИ | |
|---|---|
| Вес | 2,338 kg |
| Рекомендованный момент затяжки для стопорных винтов | 11,5 N-m |
Мы стараемся максимально лояльно подходить к выбору способов доставки товаров из нашего магазина, чтобы наши клиенты получали необходимое качество по наименьшей цене.
Курьером (пн-пт). Курьер доставит товар в день заказа с 18 до 21.00 (при условии, что заказ сформирован до 18.00), либо вечером следующего дня (если заказ сформирован после 18.00).
Вы можете забрать заказанный на сайте товар в любой день и удобное Вам время. Часы работы и контактный телефон магазина можно узнать здесь. Забронированный товар будет дожидаться Вас в течении двух рабочих дней.