(0) |
Корпус из серого чугуна, радиальный корпусной шарикоподшипник с эксцентриковым стопорным кольцом, однокромочное уплотнение
Самоцентрирующиеся подшипниковые узлы с различными вариантами крепления и корпусами из чугуна, нержавеющей стали или пластика.
| РАЗМЕРЫ ИЗДЕЛИЯ | |
|---|---|
| Марка | SNR |
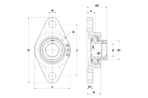
| А - Высота корпуса | 25,5 mm |
| A1 - Высота основания корпуса / высота фланца | 11 mm |
| A2 - Общая высота (корпус + вставка) от монтажной поверхности | 38,4 mm |
| B - Ширина внутреннего кольца | 21,4 mm |
| B1 - Общая ширина внутреннего кольца | 30,9 mm |
| d - Диаметр вала | 19,05 mm |
| d1 - Наружный диаметр эксцентрикового кольца/накидной гайки | 32,4 mm |
| e - Расстояние от монтажной поверхности до центра подшипника | 15 mm |
| G - Пресс-масленка | M6x1 |
| H - Длина, ширина или диаметр корпуса | 113 mm |
| J - Расстояние между монтажными отверстиями | 90 mm |
| L - Ширина/диаметр корпуса | 60 mm |
| N - Размер монтажного отверстия | 12 mm |
| S - Расстояние передняя сторона/центр подшипника | 7,5 mm |
| ПРОИЗВОДИТЕЛЬНОСТЬ ПРОДУКТА | |
|---|---|
| C - Динамическая грузоподъёмность | 12,8 kN |
| C0 - Статическая грузоподъёмность | 6,65 kN |
| Рабочая температура мин. | -20 °C |
| Рабочая температура макс. | 100 °C |
| ДРУГИЕ ОСОБЕННОСТИ | |
|---|---|
| Вес | 0,41 kg |
| Рекомендованный момент затяжки для стопорных винтов | 3,7 N-m |
Мы стараемся максимально лояльно подходить к выбору способов доставки товаров из нашего магазина, чтобы наши клиенты получали необходимое качество по наименьшей цене.
Курьером (пн-пт). Курьер доставит товар в день заказа с 18 до 21.00 (при условии, что заказ сформирован до 18.00), либо вечером следующего дня (если заказ сформирован после 18.00).
Вы можете забрать заказанный на сайте товар в любой день и удобное Вам время. Часы работы и контактный телефон магазина можно узнать здесь. Забронированный товар будет дожидаться Вас в течении двух рабочих дней.