E-mail:
(0) |
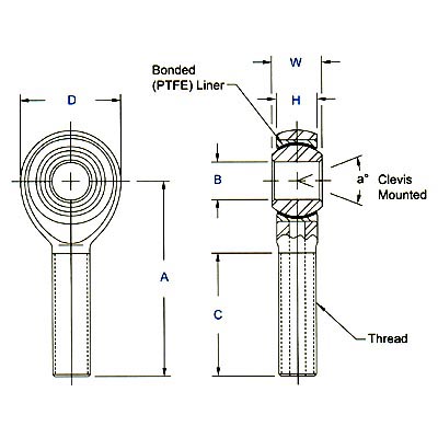
Specifications
| Part Number | XAM-8T-2 |
| Thread Type | Right Hand |
| Thread Configuration | Male |
| B - Ball Bore | .5000 in |
| W - Ball Width | .750 in |
| H - Head Width | .562 in |
| A - Base to Center | 2.875 in |
| D - Head Diameter | 1.750 in |
| Ball Diameter | 1.125 in |
| C - Thread Length | 1.750 in |
| Thread Size | 3/4-16 |
| Thread Class | UNF-3A |
| a - Misalignment Angle Clevis Mounted | 13 º |
| Ultimate Radial Static Load Capacity | 40,572 lbs |
| Type of Lubrication | PTFE liner |
Мы стараемся максимально лояльно подходить к выбору способов доставки товаров из нашего магазина, чтобы наши клиенты получали необходимое качество по наименьшей цене.
Курьером (пн-пт). Курьер доставит товар в день заказа с 18 до 21.00 (при условии, что заказ сформирован до 18.00), либо вечером следующего дня (если заказ сформирован после 18.00).
Вы можете забрать заказанный на сайте товар в любой день и удобное Вам время. Часы работы и контактный телефон магазина можно узнать здесь. Забронированный товар будет дожидаться Вас в течении двух рабочих дней.
Aurora Bearing HXAM-ET-10 & HXAB-ET-10 High Misalignment Series Male Rod Ends - PTFE Lined - Self-Lubricating Timken HXAM-5ET-10 0 руб.
Aurora Bearing ANC-TG & ANC-T Spherical Bearings Narrow - SAE Series AS14101 and AS14104 Timken ANC-9TGPKD1 0 руб.
Aurora Bearing HXAW-E-10 & HXAG-E-10 Female Rod Ends Timken HXAW-6E-10 0 руб.
Tapered Roller Bearings - TDO (Tapered Double Outer) Imperial Timken 387W - 384D 0 руб.
Tapered Roller Bearings - TDO (Tapered Double Outer) Imperial Timken 33885 - 33821D 0 руб.